The Part Of A Coupling That Fits Onto A Shaft Is Called The .  shaft coupling, in machinery, a device for providing a connection, readily broken and restored, between two adjacent rotating.   in this article, we will provide an informative guide on what shaft coupling is, its function, and the different types of shaft. Consists of a metal tube with slots at each end.  a coupling (shaft coupling) is a mechanical element part that connects two shafts together to accurately transmit the power from the drive side to the driven side while. Flexible couplings provide precise alignment.  compression couplings that have tapered sleeves that fit on the shafts.  the rim and face method of shaft alignment is the only true way to obtain correct alignment.
        
        from www.iqsdirectory.com 
     
        
         the rim and face method of shaft alignment is the only true way to obtain correct alignment. Consists of a metal tube with slots at each end.   in this article, we will provide an informative guide on what shaft coupling is, its function, and the different types of shaft. Flexible couplings provide precise alignment.  compression couplings that have tapered sleeves that fit on the shafts.  shaft coupling, in machinery, a device for providing a connection, readily broken and restored, between two adjacent rotating.  a coupling (shaft coupling) is a mechanical element part that connects two shafts together to accurately transmit the power from the drive side to the driven side while.
    
    	
            
	
		 
         
    Shaft Coupling What Is It? How Is it Used? Types Of, Roles 
    The Part Of A Coupling That Fits Onto A Shaft Is Called The   shaft coupling, in machinery, a device for providing a connection, readily broken and restored, between two adjacent rotating.  a coupling (shaft coupling) is a mechanical element part that connects two shafts together to accurately transmit the power from the drive side to the driven side while. Consists of a metal tube with slots at each end.  shaft coupling, in machinery, a device for providing a connection, readily broken and restored, between two adjacent rotating. Flexible couplings provide precise alignment.  the rim and face method of shaft alignment is the only true way to obtain correct alignment.  compression couplings that have tapered sleeves that fit on the shafts.   in this article, we will provide an informative guide on what shaft coupling is, its function, and the different types of shaft.
            
	
		 
         
 
    
        From www.slideserve.com 
                    PPT Design of Shaft PowerPoint Presentation, free download ID9464321 The Part Of A Coupling That Fits Onto A Shaft Is Called The   the rim and face method of shaft alignment is the only true way to obtain correct alignment.   in this article, we will provide an informative guide on what shaft coupling is, its function, and the different types of shaft.  a coupling (shaft coupling) is a mechanical element part that connects two shafts together to accurately transmit the. The Part Of A Coupling That Fits Onto A Shaft Is Called The.
     
    
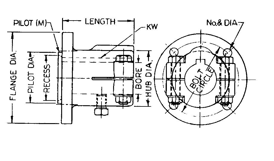
        From www.waltergear.com 
                    Walter ClampFit Prop Shaft Coupling Chart The Part Of A Coupling That Fits Onto A Shaft Is Called The   shaft coupling, in machinery, a device for providing a connection, readily broken and restored, between two adjacent rotating.  the rim and face method of shaft alignment is the only true way to obtain correct alignment.   in this article, we will provide an informative guide on what shaft coupling is, its function, and the different types of shaft.. The Part Of A Coupling That Fits Onto A Shaft Is Called The.
     
    
        From www.theengineerspost.com 
                    13 Types of Coupling Definition, Drawings, Uses & (PDF) The Part Of A Coupling That Fits Onto A Shaft Is Called The   the rim and face method of shaft alignment is the only true way to obtain correct alignment.  compression couplings that have tapered sleeves that fit on the shafts.  a coupling (shaft coupling) is a mechanical element part that connects two shafts together to accurately transmit the power from the drive side to the driven side while. . The Part Of A Coupling That Fits Onto A Shaft Is Called The.
     
    
        From www.iqsdirectory.com 
                    Shaft Coupling What Is It? How Is it Used? Types Of, Roles The Part Of A Coupling That Fits Onto A Shaft Is Called The    in this article, we will provide an informative guide on what shaft coupling is, its function, and the different types of shaft.  compression couplings that have tapered sleeves that fit on the shafts. Flexible couplings provide precise alignment.  shaft coupling, in machinery, a device for providing a connection, readily broken and restored, between two adjacent rotating. . The Part Of A Coupling That Fits Onto A Shaft Is Called The.
     
    
        From in.pinterest.com 
                    Different Types of Couplings and Their Applications Explained The Part Of A Coupling That Fits Onto A Shaft Is Called The   a coupling (shaft coupling) is a mechanical element part that connects two shafts together to accurately transmit the power from the drive side to the driven side while. Flexible couplings provide precise alignment.  the rim and face method of shaft alignment is the only true way to obtain correct alignment.  compression couplings that have tapered sleeves that. The Part Of A Coupling That Fits Onto A Shaft Is Called The.
     
    
        From dxojngeez.blob.core.windows.net 
                    Motor Shaft Coupling System at Jana Thompson blog The Part Of A Coupling That Fits Onto A Shaft Is Called The  Flexible couplings provide precise alignment.  the rim and face method of shaft alignment is the only true way to obtain correct alignment. Consists of a metal tube with slots at each end.   in this article, we will provide an informative guide on what shaft coupling is, its function, and the different types of shaft.  shaft coupling, in. The Part Of A Coupling That Fits Onto A Shaft Is Called The.
     
    
        From www.iqsdirectory.com 
                    Shaft Coupling What Is It? How Is it Used? Types Of, Roles The Part Of A Coupling That Fits Onto A Shaft Is Called The   shaft coupling, in machinery, a device for providing a connection, readily broken and restored, between two adjacent rotating.  the rim and face method of shaft alignment is the only true way to obtain correct alignment. Flexible couplings provide precise alignment.  compression couplings that have tapered sleeves that fit on the shafts. Consists of a metal tube with. The Part Of A Coupling That Fits Onto A Shaft Is Called The.
     
    
        From mechstuff.com 
                    What are Couplings? Types of Couplings and their application MechStuff The Part Of A Coupling That Fits Onto A Shaft Is Called The  Consists of a metal tube with slots at each end. Flexible couplings provide precise alignment.   in this article, we will provide an informative guide on what shaft coupling is, its function, and the different types of shaft.  shaft coupling, in machinery, a device for providing a connection, readily broken and restored, between two adjacent rotating.  the rim. The Part Of A Coupling That Fits Onto A Shaft Is Called The.
     
    
        From engineeringlearn.com 
                    Shaft Coupling Definition, Types, Uses, Working Principle & Advantages The Part Of A Coupling That Fits Onto A Shaft Is Called The    in this article, we will provide an informative guide on what shaft coupling is, its function, and the different types of shaft.  a coupling (shaft coupling) is a mechanical element part that connects two shafts together to accurately transmit the power from the drive side to the driven side while.  the rim and face method of shaft. The Part Of A Coupling That Fits Onto A Shaft Is Called The.
     
    
        From www.fastenerandfixing.com 
                    How to properly pin a shaft and hub assembly Fastener + Fixing Magazine The Part Of A Coupling That Fits Onto A Shaft Is Called The   the rim and face method of shaft alignment is the only true way to obtain correct alignment.   in this article, we will provide an informative guide on what shaft coupling is, its function, and the different types of shaft.  compression couplings that have tapered sleeves that fit on the shafts. Flexible couplings provide precise alignment.  shaft. The Part Of A Coupling That Fits Onto A Shaft Is Called The.
     
    
        From www.youtube.com 
                    Coupling Shaft Coupling Part 4 Types of Coupling Coupling Removal The Part Of A Coupling That Fits Onto A Shaft Is Called The    in this article, we will provide an informative guide on what shaft coupling is, its function, and the different types of shaft.  shaft coupling, in machinery, a device for providing a connection, readily broken and restored, between two adjacent rotating.  compression couplings that have tapered sleeves that fit on the shafts. Consists of a metal tube with. The Part Of A Coupling That Fits Onto A Shaft Is Called The.
     
    
        From www.youtube.com 
                    What Are The Minimum & Maximum Shaft Gaps for a Coupling? YouTube The Part Of A Coupling That Fits Onto A Shaft Is Called The  Consists of a metal tube with slots at each end.  a coupling (shaft coupling) is a mechanical element part that connects two shafts together to accurately transmit the power from the drive side to the driven side while.  compression couplings that have tapered sleeves that fit on the shafts.  the rim and face method of shaft alignment. The Part Of A Coupling That Fits Onto A Shaft Is Called The.
     
    
        From learnmech.com 
                    Function Of Flexible Shaft Coupling Types Of Coupling The Part Of A Coupling That Fits Onto A Shaft Is Called The   compression couplings that have tapered sleeves that fit on the shafts.  the rim and face method of shaft alignment is the only true way to obtain correct alignment.   in this article, we will provide an informative guide on what shaft coupling is, its function, and the different types of shaft.  a coupling (shaft coupling) is a. The Part Of A Coupling That Fits Onto A Shaft Is Called The.
     
    
        From www.iqsdirectory.com 
                    Shaft Coupling What Is It? How Is it Used? Types Of, Roles The Part Of A Coupling That Fits Onto A Shaft Is Called The   the rim and face method of shaft alignment is the only true way to obtain correct alignment.  shaft coupling, in machinery, a device for providing a connection, readily broken and restored, between two adjacent rotating.   in this article, we will provide an informative guide on what shaft coupling is, its function, and the different types of shaft.. The Part Of A Coupling That Fits Onto A Shaft Is Called The.
     
    
        From www.youtube.com 
                    Bushedpin type flanged coupling disassembly animation Shaft The Part Of A Coupling That Fits Onto A Shaft Is Called The  Consists of a metal tube with slots at each end.  a coupling (shaft coupling) is a mechanical element part that connects two shafts together to accurately transmit the power from the drive side to the driven side while.  shaft coupling, in machinery, a device for providing a connection, readily broken and restored, between two adjacent rotating.   in. The Part Of A Coupling That Fits Onto A Shaft Is Called The.
     
    
        From www.youtube.com 
                    Unprotected type flange coupling assembly drawing Engineering and The Part Of A Coupling That Fits Onto A Shaft Is Called The   the rim and face method of shaft alignment is the only true way to obtain correct alignment.  shaft coupling, in machinery, a device for providing a connection, readily broken and restored, between two adjacent rotating. Consists of a metal tube with slots at each end. Flexible couplings provide precise alignment.   in this article, we will provide an. The Part Of A Coupling That Fits Onto A Shaft Is Called The.
     
    
        From www.researchgate.net 
                    Coupling shaft assumption for a SPF = 1/3. Download The Part Of A Coupling That Fits Onto A Shaft Is Called The  Consists of a metal tube with slots at each end. Flexible couplings provide precise alignment.  compression couplings that have tapered sleeves that fit on the shafts.  shaft coupling, in machinery, a device for providing a connection, readily broken and restored, between two adjacent rotating.   in this article, we will provide an informative guide on what shaft coupling. The Part Of A Coupling That Fits Onto A Shaft Is Called The.
     
    
        From neonbodyartblacklights.blogspot.com 
                    universal coupling drawing pdf neonbodyartblacklights The Part Of A Coupling That Fits Onto A Shaft Is Called The   the rim and face method of shaft alignment is the only true way to obtain correct alignment. Consists of a metal tube with slots at each end. Flexible couplings provide precise alignment.   in this article, we will provide an informative guide on what shaft coupling is, its function, and the different types of shaft.  compression couplings that. The Part Of A Coupling That Fits Onto A Shaft Is Called The.